|
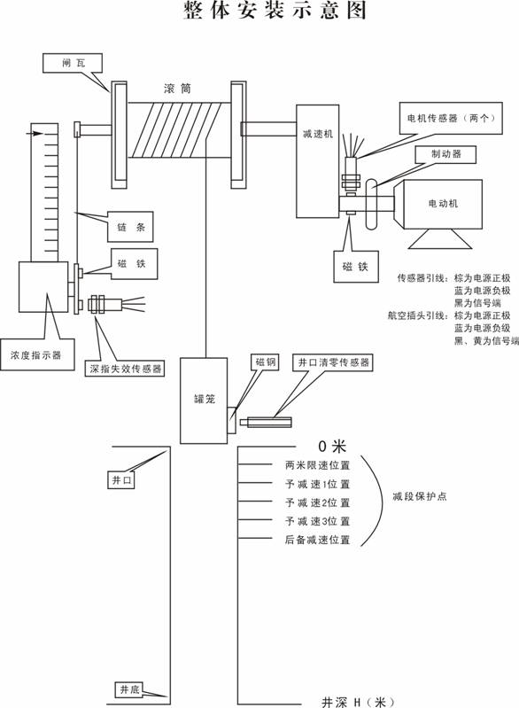
地面提升机综合后备保护装置使用说明书 一、地面提升机综合后备保护装置概述 提升机综合后备保护仪装置,根据《矿业安全规程》及《MT407—1995》的要求,利用现代微电脑技术设计的功能全,保护可靠的电子仪器,(矿用绞车/矿山设备/矿山机械/提升绞车)提升机综合后备保护装置功能有:深度指示,速度显示,勾数累计,打点记忆,超速报警,等速段超速保护,自动减速,减速段保护,深指失数保护,卡箕斗保护,信号闭锁,闸间隙,满仓,松绳,过卷保,故障记忆等保护。当市电停电时,可自动记忆当前参数,从而提高了系统可靠性和监测精度,是矿井理想的综合后备装置。 二:(矿用绞车/矿山设备/矿山机械/提升绞车)提升机综合后备保护装置主要技术指标 1、工作电压:220V±10%工频交流(如用127V订货声明) 2、功率消耗:≤20W 3、允许提升距离+3000米(要求大于3000米时订货声明) 4、每个磁肿冲等效运行距离C,0.01分米<C<0.2分米 5、外型尺寸:400×160×320mm 6、净重:6kg 7、工作方式:连续 8、容器位置检测精度0.1米,****显示值3276.8米 9、速度检测精度:0.1米/秒,****显示值19.9米/秒 10、失效保护:全程、连续 11、使用条件:a环境温度:-10℃— +40℃ b相对湿度:<80% c无腐蚀性气体 三、(矿用绞车/矿山设备/矿山机械/提升绞车)提升机综合后备保护装置主要功能: 1、提升深度显示功能,保护器能准确跟踪显示提升容器在井筒运行过程中离井口的时实位置供司机观察,显示精度为0.1米。 2、提升速度显示功能:保护器显示提升容器在井筒运行过程中的时实速度供司机观察,显示精度为0.1米。 3、深度指示器失效检测与保护功能:当深度指示器因故失效,例如传动系统断轴打牙、滚键等造成指针不能准确提示容器在井筒中的真实位置时微机将连续发出声光报警信号,当提升容器运行到2米/秒限速点及以后发生深度指示器失效时,微机除发出声光报警信号外,还将发生控制指令,通过电控环节实施紧急制动(距离死区可小于3米)。 4、超速保护功能:当容器实际运行速度超过****速度的10%时微机发出声光报警信号,当提升容器运行速度超过****速度的15%时微机除发出声光报警外还同时发出控制指令,通过电控回路实施安全制动。 5、减速段限速保护功能:容器在减速段实行保护,一旦超过规定运行速度范围,微机立即发出控制指令,通过电控回路实施安全制动。 6、后备减速功能:当容器运行到减速点时微机将立即发出减速指令,后备减速通过电控回路实施减速控制。 7、接近井口2米/秒限速保护功能;当容器运行到2米/秒限速点及以后实际运行速度超过2米/秒时,微机随时发出控制指令,绞车立即安全制动。 8、后备过卷功能:当提升容器一但发生过卷,微机立即发出过卷指令,安全回路断电,绞车安全制动。过卷保护距离的调整可根据现场情况予先设定过卷控制点,设定范围,0.1-25米。 9、卡箕斗保护功能:箕斗顺利通过时信号显示,一旦箕斗被卡住微机发出卡箕斗信号,控制指令,绞车安全制动。 10、有双码校正功能:因提升过程中滚筒衬木磨损等原因造成的位置误差可以自动校正。 11、有松绳,满仓,闸间隙保护功能:一旦发生松绳或满仓时其信号送入微机,微机立即发出指令,声光报警,同时实施安全制动。 12、有传感元件运行状态自检功能,正常运行时每只传感元件接受磁信号后,都发出灯光指示。 13、打点记忆功能:打点信号直接显示,并记忆前三次打点信号,可以和提升下降开关连接实现方向闭锁。 14、钩数记忆功能:可方便计量产量和管理。 四、(矿用绞车/矿山设备/矿山机械/提升绞车)提升机综合后备保护装置结构特点: 1、本机采用国产标准机箱,前面板除“深度显示”,“速度显示”,“打点记忆”“钩数记忆”四个窗屏外,还设有20只指示灯,以左至右依次指示超速10%,超速15%,后备减速,减速段限速2米/秒,后备过卷,失效指示,卡箕斗A卡箕斗B松绳指示,满仓指示等。另有“OK”、“CLR”、“SET”、“上”、“下”五只按键其作用如下,“OK”键为安全制动后当故障排除后按“OK”键,当发生上下过卷时,只有回到正常值后,按“OK”键才可解除保护,设置参数后按“OK”键记忆参数并回到正常状态。按住“CLR”键三秒以上提升钩数清零,同时按住“CLR”、“上”、“下”键三秒以上深度指示清零。按“SET”键三秒进入参数设置状态。 2、后板设有各执行功能继电器输出接点端子排,传感信号引入插座,还有电源开关,保护投入开关等。 3、本机采用硬件和软件双套抗干扰措施,监测准确运行可靠。 4、按本机保护范围,当绞车出现运行故障时本机立即发出控制指令,通过电控回路实施控制,按一下“OK”键即可恢复正常运行状态。 五、(矿用绞车/矿山设备/矿山机械/提升绞车)提升机综合后备保护装置工作原理: 1、提升容器在井筒中的位置检测原理。 矿井提升主要是在主电机驱动下运行的,正常情况下容器在井筒中所处的位置与电动机的转数相对应,准确采集主电动机的转数(即磁脉冲数)即能换算出提升容器在井筒中相对应的位置,电机部位靠近减速机处高速轴上安装霍尔传感器(见图1),当电机转动时霍尔传感器将连续收到一系列磁脉冲信号,经微机计算并处理后在显示屏上将提升容器的运行时实位置显示出来。 2、提升容器运行速度检测原理 微机根据事先存贮的提升有效总距离和总磁脉冲个数即可换算出提升容器运行过程中的实时速度并通过窗屏显示出来。 3、深度指示器失效检测原理 在深度指示器杠一端的链条盘部位按装若干块直径约8—10m/m的磁块(磁块多少由现场要求的失效保护距离而定,一般和电机高速轴处安装磁铁个数一样)与磁块相对应的部位固定安装霍尔传感器、当丝杠转动时有一系列磁脉冲信号送入微机再与电机轴端送来的磁脉冲信号进行比较,在正常情况下两边发出信号是有严格比例的,一旦深度指示器失效,这个比例将被破坏,微机立即发出声光报警信号和控制信号进行控制,这种失效检测在提升全过程中都是连接的。基于上述原理,微机对超速、后备减速、减速段限速和2米/秒限速等功能的处理,也是灵活方便的。
在井架上安装卡斗同步传感器,在机斗或罐笼上安装永久磁钢,开关与磁铁对应间隙40— 70mm。 注意: a、开关与磁钢对应处距停车位置应在零位 b、两套开关对应的高度应一致 4、参数设置 按SET键进入参数设置状态,再按SET键可选择需要更改的参数项,按上下键可以更改原参数(持续按上下键时参数值变化会越来越快),如果不知道后备减速、减速1、减速2、减速3、2米限速位置时,可以使容器位于井口开车,使容器向下运行,当运行到减速1,减速为4米/秒的位置为减速2,速度为3米/秒的位置为减速3,速度为2/秒米的位置为2米限速。小绞车有时不需要减速段保护,只要将保护值设大点即可,也可根据实际情况设定位置和速度保护值。 5、井口清零: 当参数设置完毕时要进行井口清零,容器在井口时同时按住CLR键和上下键3秒以上,深度指示窗口即清零。这种功能还用于如下情况: A:山于某些未知的原因引起零为错误时; B:参数表及含义由于深度变化或钢绳磨损,引起零位错误时; 6、 参 数 表
(矿用绞车/矿山设备/矿山机械/提升绞车)提升机综合后备保护装置接法说明: “控制”:为保护控制输出常闭接点,当超速保护,减速段保护,后备过卷,两米限速,卡箕斗A,卡箕斗B,中任何一种保护时,此时“控制”将断开,控制绞车安全制动,一般串接与安全回路,同时相应的指示灯会亮,如故障解除,按“OK”键即可恢复正常。 “松满”为松绳,满仓的保护输出常闭点,当松绳,满仓有任一保护时,此时松满断开,实行保护控制,一般串接与安全回路中。 “后备减速”对有后备减速功能的绞车时用,当绞车运行到某一点时发出自动减速信号(后备减速端闭合)绞车减速到预定速度后,后备减速端断开,平时为常开点。 “提升”、“下降”为方向闭锁控制端,平时为常开点,和打点信号配合,当打点信号为升时,“提升”端闭合,打点信号为降时“下降”端闭合。为停时,则“提升”,“下降”端都断开。 以上触点可承受220V,10A电流。 “打点”端子为打点信号输出端,可接一常开按钮。打几下前面就显几下,并记忆三此打点信号,或在原打点信号线路中接一继电器,由原打点信号控制。(注:不可将两根电源同时接入“打点”端子)。 “急停”端为急停信号输入端,当有急停信号输入时,“提升”,“下降”端均断开,绞车不能开动。可接一带自锁的常开按钮。 “闸A”,“闸B”,“满仓”,“松绳”,接入相应的行程开关常开点即可。 保护开关打到开位置时,所有保护都起作用。打到关的位置时所有控制输出都不动作,仅发出声光报警,前面的相应指示灯亮。 7、(矿用绞车/矿山设备/矿山机械/提升绞车)提升机综合后备保护装置调试说明: 调试时有些功能对有些绞车无用,如卡斗A,卡斗B,打点记忆,后备减速,满仓等都为可选的。 调试主要就是计算一些参数,并输入主机内,调试步骤如下: 1)脉冲系数(C)代表电机轴上每走一个脉冲钢丝绳走多少毫米,确定方法如下:将绞车提升到井口位置,并将C先设定为100.0,使深度显示清零。开车,到井底,此时记下深度显示的数据,如为:234.5就表示总脉冲数为2345,(小数点不记)。用已知井深除以脉冲数,就得出脉冲系数C,(注意换算成毫米) 也可以根据滚筒直径,减速比,及磁铁数计算: C=(滚筒直径+钢丝绳直径)×3.1416÷减速比÷磁铁数(毫米) 2)H井深:C确定后,主机从井口到井底所测定的值。 3)深指失效脉冲个数,指机械式深度指示器失效时保护,电机轴转动和深指上的链条或齿轮转动成严格比例关系,如果电机转而深指指示不动,说明深指失效,判断原理就是看比例是否正确,一般设为40,表示电机处转动40个磁脉冲深指处至少有一个脉冲。 4)L零位修正,一般为零,表示清零后的初始值。 5)A1上过卷,超过井口多少米时报警保护。 6)A2下过卷,超过井底多少米时报警保护。 7)DA等速段报警,在井中正常运行时,如果超出正常速度的10%时报警,但不保护停车,如正常车速为3米/秒,DA=3×(1+0.1)=3.3米。 8)DH等速段保护,在井中正常运行时,如果超出正常速度的15%时保护,如正常车速为3米/秒,DH=3×(1+0.15)=3.45米。 9)减段设置:仅设置井口减速段参数,主机会自动计算井底相应的参数,如果在设定的位置超过设定的速度就会保护动作。 10)卡斗A,卡斗B,设置为零时,此功能无效(无此功能),设置为1时有效。
|






